INSTRUMENT777.RU Купить Автосервисное оборудование Инструмент и Материалы для покраски с доставкой
Инструмент и Оборудование для вашего СТО
Каталог
Расходные материалы для шиномонтажа
Балансировочные грузы
Набивные грузы для стальных дисков
Набивные грузы для литых дисков
Самоклеящиеся грузы для литых дисков
Грузы для грузовых дисков
Гранулят
Грибки
Для шин с давлением до 4 атм.
Для шин с давлением до 8 атм.
Для сельхозтехники
Ножки грибков
Вентили, колпачки, удлинители
Резиновые вентили для легковых и легкогрузовых авто
Вентили для грузовиков и автобусов
Металлические вентили для легковых и легкогрузовых авто
Вентили для ремонта камер
Вентили для сельскохозяйственной и спецтехники
Вентили для мотоциклов и скутеров
Вентили под датчики TPMS
Удлинители вентиля
Ниппели (золотники) и колпачки
Пакеты для шин
Абразивный инструмент
Абразивный инструмент
Буры, фрезы, адаптеры,резцы
Абразивные щетки
Жгуты
Пасты для рук
Резина ремонтная
Химия
Герметики борта
Буферные очистители, обезжириватели
Герметики внутреннего слоя
Поиск проколов, смазки,тальк
Монтажные пасты
Клеи, цементы
Шиноремонтные материалы
Латки
Пластыри диагональные
Пластыри радиальные
Ремпластины
Нарезка протектора
Камеры
Для грузовых автомобилей
Для сельскохозяйственной техники
Для спецтехники
Для погрузчиков
Оводные ленты
Для легковых автомобилей
Автоаптечки
Оборудование для шиномонтажного поста
Балансировочные станки
Легковые
Грузовые
Опции и аксессуары
Шиномонтажное станки
Легковые
Грузовые
Легковые;Комплектом дешевле!
Вспомогательное оборудование
Аксессуары и приспособления
Бустеры
Борторасширители
Вулканизаторы и комплектующие
Профильные пневмоподушки
Плоские пневмоподушки
Нагревательные элементы
Профильные плиты
Аксессуары для вулканизатора
Вулканизаторы легковые
Вулканизаторы грузовые
Станки для правки дисков
Мойки колёс
Оборудование для накачивания колёс, пистолеты
Шиповальное оборудование
Шипы
Ремонтные шипы
Инструмент для шиноремонта
Механический гайковерт
Подъёмное оборудование
Подъёмники автомобильные
Двухстоечные
Четырехстоечные
Ножничные
Грузовые подкатные
Пневматические
Мотоподъёмники
Аксессуары
Канавные
Подъемники для электромобилей
Траверсы
Компрессорное оборудование
Компрессоры поршневые
Компрессор вертикальный
Компрессоры винтовые
Компрессоры безмасленные
Ресиверы воздушные
Осушители воздуха
Компрессоры автомобильные (переносные)
Подготовка воздуха (фильты и лубрикаторы)
Фитинг
Шланги
Шланг в бухте
Шланг армированный
Шланг на самоскручивающейся катушке
Шланг на самоскручивающейся катушке для масел
Шланг на открытой катушке
Шланг витой
Модульные компрессорные станции
Магистральные фильтры
Конденсатоотводчики
Ручной инструмент
Отвертки, угловые ключи, биты
Отвертки шлицевые
Вставки-биты
Наборы вставок-бит
Наборы отверток
Головки с вставкой
Угловые ключи шестигранные
Отвертки крестовые
Торцевые с головками
Отвертки диэлектрические
Угловые ключи TORX
Отвертки TORX
Ударные отвертки, клеймы и кернеры
Отвертки
Ударный инструмент
Кувалды
Молотки
Зубила, кернеры, выколотки
Обратный молоток
Фиксаторы для инструментов
Воротки, трещотки, удлинители, переходники
Воротки
Трещоточные рукоятки
Удлинители
Карданные шарниры и переходники
Ремонтные комплекты
Ключи
Ключи динамометрические
Ключи рожковые
Трубные и газовые ключи
Ключи шарнирные
Ключи накидные
Наборы ключей
Ключи разводные
Ключи разрезные
Ключи трещоточные
Ключи комбинированные
Ключи Т и Г образные
Ключи стартерные
Ключи балонные
Ключи специального назначения
Ремонтные комплекты
Ключи торцевые
Съемники
Съемники шаровых опор, рулевых тяг
Съемники для тормозной системы
Съемники масляных фильтров
Съемники клипс обшивки салона
Съемники подшипников
Съемники сайлентблоков
Съемники для электроники
Съемники для выхлопной системы
Съемники топливных фильтров
Универсальные съемники
Торцевые головки
Головки 1/4"
Головки ударные
Наборы головок
Головки 3/4"
Головки 1/2"
Адаптеры ударные
Головки TORX и наборы
Головки свечные
Специальные торцевые головки
Головки 3/8"
Головки 1"
Переходники
Шарнирно-губцевый инструмент
Переставные клещи
Ножницы по металлу
Плоскогубцы и длинногубцы
Щипцы для стопорных колец
Заклепочники
Щипцы для хомутов
Болторезы
Бокорезы
Наборы инструмента
Кусачки
Пассатижи
Струбцины ручные
Вспомогательный инструмент
Ручные монтировки
Наборы инструментов
Наборы для демонтажа
Наборы инструментов в чемоданах
Наборы для нарезания резьбы
Наборы инструментов в зип-кейсах
Наборы инструментов в ящиках
Наборы универсальные
Комплектующие к наборам
Инструмент для востановления резьбы
Пистолет для герметика и клея
Измерительный инструмент
Специнструмент
Напильники
Гаражное оборудование
Домкраты
Подкатные гидравлические
Пневматические
Подкатные Пневмогидравлические
Реечные
Бутылочные
Подставки под автомобиль
Аксессуары, запчасти
Резиновые накладки
Механические ромбовидные домкраты
Домкраты канавные (траверсы)
Тали и лебёдки
Кантователи двигателя
Траверсы для вывешивания двигателя
Краны гаражные
Стойки трансмиссионные
Аксессуары
Прессы
Напольные пресса
Настольные пресса
Аксессуары для пресса
Столы
Стяжки пружин
Запчасти для стяжки пружин
Пескоструйные камеры и аппараты
Индукционные аппараты
Индукционные нагреватели
Аксессуары для аппаратов
Тиски
Трубогибы
Точильные станки
Станки для проточки тормозных дисков
Запчасти для станков проточки тормозных дисков
Станки для заклепки тормозных колодок
Пусковые и зарядные устройства
Пуско-зарядные устройства
Зарядные устройства
Пусковые устройства
Тестеры аккумулятора
Аксессуары для пзу
Установки для удаления выхлопных газов
Вытяжные катушки
Гофрированные шланги
Насадки и стопоры на шланги
Радиальные вентиляторы
Тепловые пушки
Газовые
Дизельные
Электрические
Приборы регулировки фар
Опрессовочные насосы
Сверлильные станки
Запчасти для сверлильных станков
Восстановление шаровых опор
Кузовное оборудование
Стапели
Доп.комплектующие и аксессуары
Покрасочные камеры
Аксессуары к камере
Инфракрасные сушки
Зажимы и захваты
Гидравлический инструмент
Запчасти и аксессуары
Рихтовочный инструмент
Ручные шлифовальные блоки
Молоток рихтовочный
Выколотки, поддержки
Тяговая цепь
Пила рихтовочная
Профильный шаблон
Аппараты точечной сварки (споттеры)
Аксессуары для споттеров
Расходные материалы для точечной сварки
Оборудование для ремонта пластика
Краскопульты
Аксессуары и комплектующие для краскопультов
Пистолеты для нанесения антикора
Аэрографы
Диспенсеры
Столы для окраски
Инструменты и образивы для полировка кузова
Оправка для полировальных машинок
Инструменты для ремонта стекол
Лампы переносные
Распылители
Красконагнетательный бак
Окрасочное оборудование и для дезинфекции
Посты подготовки к окраске
Моечное оборудование
Пеногенераторы и пенокомплекты
Мойки деталей
Аппараты высокого давления
Автохимия и автокосметика
Автошампунь
Бесконтактная мойка
Воск для кузова
Очистители двигателя
Очистители и полироли для кузова
Очистители стекла
Средства для ухода за салоном
Средства для шин и дисков
Протирочные материалы
Системы дозирования
Аксессуары и комплектующие
Копья ВД
Пистолеты ВД
Пылесосы
Запчасти и аксессуары к пылесосам
Оборудование для замены технических жидкостей
Инструмент для автокондиционирования
Жидкости для обслуживания автокондиционеров
Запчасти и аксессуары для автокондиционеров
Инструмент для кондиционеров
Установки для заправки кондиционеров
Установки для диагностики топливных систем
Стойки для оборудования и стендов
Ультразвуковые ванны
Инструмент и оборудование для малой диагностики
Вакуумметры
Видеоэндоскопы
Наборы для очистки топливных систем
Компрессометры
Манометры
Тестеры
Толщиномеры
Синхронизаторы карбюратора
Стетоскопы и эндоскопы
Стробоскопы
Тестеры для проверки герметичности цилиндров
Тестеры для проверки давления масла
Тестеры для проверки давления топливных систем
Тестеры форсунок
Инструмент для АКБ
Ареометры
Тестеры давления
Наборы и воронки
Емкости для раздачи масла
Емкости для раздачи смазки (нагнетатели)
Емкости для слива и откачки масла
Замена технической жидкости
Запасные части и приспособления
Насосы,пистолеты
Расходные материалы для смазочного оборудования
Шприцы и масленки
Комплектующие для смазки
Оборудование для регулировки развала схождения
Стенды для калибровки
Стенд сход-развал
Сварочное оборудование
Аксессуары и редукторы
Аппараты аргонодуговой сварки
Сварочные инверторы TIG
Сварочные выпрямители TIG
Аппараты дуговой сварки TIG - MMA
Аппараты плазменной резки (плазморезы)
Аппараты контактной сварки (споттеры)
Аксессуары для споттера
Оборудование для газосварки
Товары для газосварочных работ
Товары для электросварочных работ
Автоматическая сварка под флюсом
Сварочные горелки и плазмотроны
Сварочные полуавтоматы MIG - MAG
Расходные материалы для сварки
Химия для сварки
Для аргонно-дуговой сварки TIG
Для газосварки
Для плазменной резки
Для сварки MIG - MAG
Для сварки MMA
Проволока сварочная
Расходные части MIG/TIG/CUT
Средства защиты
Сварочные аппараты для ПП труб
Сварочный аппарат
Диагностическое оборудование
TPMS Оборудование
Осциллографы
Автосканеры
Автосканеры для легковых автомобилей
Автосканеры для грузовых авто и спецтехники
Аксессуары для диагностики
Газоанализаторы и дымомеры
Дымогенераторы
Инструментальная мебель и всё для организации рабочей зоны
Тележки инструментальные и ложементы
Ложемент с инструментом KING TONY
Ложемент с инструментом FORCE
Ложемент с инструментом JONNESWAY
Ложемент с инструментом HANS
Ложемент с инструментом МАСТАК
Ложемент с инструментом ROSSVIK
Ложемент с инструментом NORDBERG
Ложемент с инструментом Ombra
Ложемент с инструментом JTC
Комплекты (инструмент+тележка)
Ящики
Верстаки
Лежаки и стулья
Шкафы металлические
Шкаф инструментальный
Шкаф гардеробный
Камера хранения
Шкаф архивный
Комплектующие и аксессуары для мебели
Тележка транспортировочная
Автотрансформаторы
Стабилизаторы
Стабилизаторы однофазные
Стабилизаторы трехфазные
Инструмент специального назначения
Инструмент для ремонта двигателя
Фиксаторы шкивов и распредвалов
Оправки для сальников и подшипников
Притирка клапанов, фрезы
Рассухариватели и щипцы
Съемники масляных фильтров
Съемники поршневой группы
Съемники форсунок
Съемники шкивов
Инструмент для работы с газораспределительным механизмом
Инструмент для работы с ГБЦ
Инструмент для обслуживания систем ГРМ
Инструменты для ремонта трансмиссии
Специнструмент для моторной группы
Специнструмент для ГБЦ
Специнструмент для выхлопной системы
Специнструмент для поршневой группы
Специнструмент для системы охлаждения
Специнструмент для системы смазки
Специнструмент для сцепления и маховика
Специнструмент для топливной системы
Специнструмент для шкивов и роликов
Специнструмент для шлангов и сальников
Специнструмент для разборки салона
Специнструмент для съема подшипников
Специнструмент для ходовой части
Специнструмент для ШРУСа
Специнструмент для подшипников ступицы
Специнструмент для сайлентблоков
Специнструмент для стяжки пружин
Специнструмент для тормозной системы
Специнструмент для шаровых соединений
Инструмент для работы с подвеской
Инструмент для работы с рулевым механизмом
Специнструмент для электрики
Инструмент для легковых
Специнструмент для AUDI / WV
Специнструмент для BMW
Специнструмент для FIAT
Специнструмент для FORD / MAZDA
Специнструмент для LAND ROVER
Специнструмент для Mercedes
Специнструмент для OPEL
Специнструмент для PEUGEOT CITROEN
Специнструмент для RENAULT
Специнструмент для Volvo
Инструмент Mercedes-Benz
Инструмент Opel
Инструмент BMW
Инструмент AUDI & Volkswagen
Инструмент Ford
Универсальный инструмент
Инструмент Volvo
Инструмент KIA & Hyundai
Инструмент для коробок ZF
Инструмент Peugeot
Инструмент Toyota
Инструмент AlfaRomeo & Lancia
Инструмент MAZDA
Инструмент FIAT
Инструмент Mitsubishi
Инструмент Land Rover
Инструмент Honda
Инструмент Porsche
Инструмент Subaru
Инструмент Renault
Инструмент Chrysler
Инструмент Chery
Инструмент Nissan
Инструмент BYD
Инструмент для грузовых
Инструмент DAF
Инструмент IVECO
Инструмент Volvo
Инструмент MAZ / KAMAZ
Универсальный инструмент
Инструмент FUSO
Инструмент Knorr-Bremse
Инструмент Scania
Инструмент Mercedes
Инструмент для коробок ZF
Инструмент SAF
Инструмент BPW
Инструмент MAN
Инструмент Renault
Инструмент HINO
Инструмент Caterpillar
Инструмент Isuzu
Инструмент ROR
Инструмент Daewoo
Инструмент Cummins
Инструмент MITSUBISHI
Инструмент Nissan
Инструмент для дизелей
Измерительные системы для инжекторов Common Rail
Специнструменты для ТНВД P типа
Измерительный инструмент для дизеля
Стендовая оснастка для форсунок
Торцевые фрезы для инжекторов Common Rail
Инструмент для свечей накаливания
Спецключи для форсунок и ТНВД
Шайбы и инструменты для распылителя инжектора
Стапели для форсунок и ТНВД
Наборы фиксаторов для плунжеров ТНВД
Оборудование для ремонта клапанов BOSCH
Измерительные приборы для дизеля
Специнстурмент для систем Common Rail
Инструмент для насос форсунок
Специнструмент для ТНВД VE
Cтендовая оснастка для ТНВД
Съемники для форсунок Common Rail
Регулировочные шайбы для форсунок
Универсальный инструмент
Съемники форсунок
Съемники тормозной системы
Съемники сайлентблоков
Инструмент для трансмиссии
Прочий инструмент для двигателя
Инструмент для ремонта салона
Съемники масляных фильтров
Рассухариватели
Фиксаторы шкивов и распредвалов
Съемники шаровых опор и наконечников рулевых тяг
Съемники для ступицы
Оправки для подшипников
Стяжки пружин
Съемники для амортизаторов
Инструмент для системы охлаждения
Щипцы
Инструмент для топливных систем
Развальцовщики и труборезы
Съемники ШРУС
Инструмент для извлечения обломков
Инструмент для автостекол
Съемники для поршневой группы
Притирка клапанов, зенкера и метчики
Спецсъемники
Инструмент для работы с резьбовыми соединениями
Съемники механические
Инструмент для мотоциклов
Инструмент Ducati
Инструмент Honda
Инструмент Yamaha
Универсальные МОТО
Инструмент Harley-Davidson
Инструмент SUPERMOTO
Инструмент Mv Agusta
Инструмент Kawasaki
Инструмент Suzuki
Инструмент BMW
Инструмент Polaris
Инструмент KTM
Инструмент Triumph
Инструмент для АКПП
Вспомогательный инструмент
Инструмент для ремонта и обслуживания кузова
Инструмент для жестяных работ
Инструмент для работы с системой зажигания
Специнструмент Mercedes - BMW
Специнструмент VW & Audi
Электро и пневмо инструменты
Шлифовальный инструмент
Ленточные шлифмашины
Пневматические бормашины
Углошлифовальная машинка
Плоскошлифовальные машинки
Зачистные машинки
Шлифмашины эксцентриковые
Защитная прокладка для шлифовальных машинок
Оправка, основа для шлифовальных машинок
Пневмопистолет
Пистолет продувочный (обдувочный)
Моечные пистолеты
Пескоструйные пистолеты
Покрасочные пистолеты
Дрели и шуруповерты
Сверла
Гайковерты, трещотки и отвертки
Гайковерт пневматический
Гайковерт пневматический в наборе
Гайковерты аккумуляторные
Трещотка пневматическая
Отвертка пневматическая
Гайковерты ручные
Аккумуляторный инструмент
Аккумуляторные дрели-шуруповерты
Отвертки аккумуляторные
Рубанок электрический
Перфораторы
Полировальные машины
Пневматические ножницы и ножи
Фрезер электрический
Строительный фен
Пневмозаклепочники
Отбойные молотки, пневмозубила
Пневмодыроколы
Пневмоподдержки
Щетки металлические для дрели
Щётка металлическая для УШМ
Диск пильный
Пневмолобзики
Диски отрезные
Диски шлифовальные
Аккумуляторы для электроинструмента
Автохимия и средства защиты
Респираторы
Защита слуха
Автополироли
Автошампуни
Антикоррозийные и защитные средства
Герметики
Клеи
Наборы для ремонта
Очистители
Притирочные пасты
Смазки
Фиксаторы соединений
Рабочий костюм
Паста и антисептик для рук
Защитные очки и маски
Одежда для сварочных работ
Обувь
Брюки, штаны
Головные уборы
Верхняя одежда
Майки, футболки, сорочки
Полукомбинезоны и комбинезоны
Ремни
Карманы и держатели
Наколенники
Электростанции (Генераторы)
Аксессуары для генераторов
Бензиновые генераторы
Дизельные генераторы
Сварочные генераторы
Инверторные генераторы
Аренда Специнструмента
Запчасти
Запчасти для компрессоров
Запчасти для гайковертов
Запчасти для шлифовальных машинок
Запчасти и аксессуары для пневматического инструмента
Запчасти для гидравлического оборудования
Аксессуары к гидравлическим прессам
Запчасти для подъёмников
Запчасти и аксессуары для четырехстоечных подъемников
Запчасти для траверс
Запчасти и аксессуары для ножничных подъемников
Запчасти и аксессуары для двухстоечных подъемников
Запчасти и аксессуары для подкатных подъемников
Запчасти и аксессуары для пневматических подъемников
Запчасти для балансировочных станков
Запчасти для шиномонтажных станков
Запчасти для окрасочных камер
Запчасти для краскопультов
Запчасти для маслосменного оборудования
Запчасти для дископравов
Запчасти для сварочных аппаратов
Дископравные стенды
Балансировочные станки
Шиномонтажные станки
Комплектующие к аксессуарам
Автоподъемное оборудование
Четырехстоечные подъемники
Ножничные подъемники
Двухстоечные подъемники
Подкатные подъемники
Пневматические подъемники
Стенд для регулировки углов установки колес Зенит-3D
Установки Express Service
Установки для проточки тормозных дисков
Стенд для регулировки углов установки колес
Установки для проточки тормозных дисков
Материалы расходные
Комплектом дешевле!
Прочее
Инструменты Hoegert
Ручной инструмент
Переходники и насадки
Отвертки
Ключи
Шарнирно-губцевый инструмент
Гайколомы и раскалыватели гаек
Торцевые головки
Ножовки по металлу
Ударно-рычажный инструмент
Режущий инструмент
Наборы инструментов
Наборы универсальные
Металлическая мебель
Комплектующие для тележек
Тележки инструментальные
Смазочно-заправочное оборудование
Съемники масляных фильтров
Специальный инструмент
Съемники
Ремонт ходовой части и рулевого управления
Гаражно-вспомогательное оборудование
Вспомогательный гаражный инструмент
Оборудование для кузовного ремонта
Инструменты кузовного ремонта
Аксессуары для кузовного ремонта
Крюки для вывешивания
Пневматический инструмент
Пневмогайковерты
Пневматические шлифмашинки
Компрессорное оборудование
Пневматические шланги
Блоки подготовки воздуха
Прочее
Optimus
Rossvik
Подъёмное оборудование
Шиномонтажное оборудование
Инструмент специального назначения
Ручной инструмент
Гаражное оборудование
Диагностическое оборудование
Автохимия и средства защиты
Электро и пневмо инструменты
Кузовное оборудование
Оборудование для замены и откачки масла
Компрессорное оборудование
HOEGERT
Инструмент специального назначения
Ручной инструмент
Инструментальная мебель и всё для организации рабочей зоны
Электро и пневмо инструменты
Шиномонтажное оборудование
Диагностическое оборудование
Оборудование для замены и откачки масла
Кузовное оборудование
Подъёмное оборудование
Гаражное оборудование
Запчасти
Акции
Услуги
Сервисные службы
Монтаж, ремонт и обслуживание автосервисного оборудования
Ремонт пневмоинструмента и гидравлического инструмента
Стоимость основных услуг и условия
Подача рекламации
Создайте проект своего нового автосервиса
Подробнее
Лизинг, Кредитование
Лизинг для юридических лиц
Кредит и Рассрочка
Изготовление тросов (под заказ)
Переходите и отмечайте тип троса и его размеры
Как купить
Условия оплаты
Кредит и рассрочка
Условия доставки
Гарантия на товар
Компания
О компании
Новости
Команда
Отзывы
Карьера
Контакты
Партнеры
Реквизиты
Документы
Контакты
Бренды
Блог
+7 903 140-18-99
+7 903 140-18-99
+7 903 140-18-99Telegram
+7 903 140-18-99WhatsApp
+7 495 979-17-98Москва и МО
info@instrument777.ruпочта
Заказать звонок
Задать вопрос
Войти
  • Корзина0
  • Избранные товары0
  • Сравнение товаров0
info@instrument777.ru
Московская область, г. Балашиха, ул. Реутовская,  д.15 , пом.9
  • Вконтакте
  • Telegram
  • YouTube
  • WhatsApp
+7 903 140-18-99
+7 903 140-18-99
+7 903 140-18-99Telegram
+7 903 140-18-99WhatsApp
+7 495 979-17-98Москва и МО
info@instrument777.ruпочта
Заказать звонок
Московская область, г. Балашиха, ул. Реутовская,  д.15 , пом.9
Войти
INSTRUMENT777.RU Купить Автосервисное оборудование Инструмент и Материалы для покраски с доставкой
Инструмент и Оборудование для вашего СТО
Сравнение0
Избранные товары 0
Корзина 0
Каталог
  • Расходные материалы для шиномонтажа
    Расходные материалы для шиномонтажа
  • Оборудование для шиномонтажного поста
    Оборудование для шиномонтажного поста
  • Подъёмное оборудование
    Подъёмное оборудование
  • Компрессорное оборудование
    Компрессорное оборудование
  • Ручной инструмент
    Ручной инструмент
  • Гаражное оборудование
    Гаражное оборудование
  • Кузовное оборудование
    Кузовное оборудование
  • Моечное оборудование
    Моечное оборудование
  • Оборудование для замены технических жидкостей
    Оборудование для замены технических жидкостей
  • Оборудование для регулировки развала схождения
    Оборудование для регулировки развала схождения
  • Сварочное оборудование
    Сварочное оборудование
  • Диагностическое оборудование
    Диагностическое оборудование
  • Инструментальная мебель и всё для организации рабочей зоны
    Инструментальная мебель и всё для организации рабочей зоны
  • Инструмент специального назначения
    Инструмент специального назначения
  • Электро и пневмо инструменты
    Электро и пневмо инструменты
  • Автохимия и средства защиты
    Автохимия и средства защиты
  • Электростанции (Генераторы)
    Электростанции (Генераторы)
  • Аренда Специнструмента
    Аренда Специнструмента
  • Запчасти
    Запчасти
  • Комплектом дешевле!
    Комплектом дешевле!
  • Прочее
Акции
Услуги
  • Сервисные службы
  • Создайте проект своего нового автосервиса
  • Лизинг, Кредитование
  • Изготовление тросов (под заказ)
Как купить
  • Условия оплаты
  • Кредит и рассрочка
  • Условия доставки
  • Гарантия на товар
Компания
  • О компании
  • Новости
  • Команда
  • Отзывы
  • Карьера
  • Контакты
  • Партнеры
  • Реквизиты
  • Документы
Контакты
Бренды
Блог
INSTRUMENT777.RU Купить Автосервисное оборудование Инструмент и Материалы для покраски с доставкой
+7 903 140-18-99
+7 903 140-18-99
+7 903 140-18-99Telegram
+7 903 140-18-99WhatsApp
+7 495 979-17-98Москва и МО
info@instrument777.ruпочта
Заказать звонок
Сравнение0 Избранные товары 0 Корзина 0
INSTRUMENT777.RU Купить Автосервисное оборудование Инструмент и Материалы для покраски с доставкой
Сравнение0 Избранные товары 0 Корзина 0
Телефоны
+7 903 140-18-99
+7 903 140-18-99Telegram
+7 903 140-18-99WhatsApp
+7 495 979-17-98Москва и МО
info@instrument777.ruпочта
Заказать звонок
  • Каталог
    • Назад
    • Каталог
    • Расходные материалы для шиномонтажа Расходные материалы для шиномонтажа
      • Назад
      • Расходные материалы для шиномонтажа
      • Балансировочные грузы Балансировочные грузы
        • Назад
        • Балансировочные грузы
        • Набивные грузы для стальных дисков Набивные грузы для стальных дисков
        • Набивные грузы для литых дисков Набивные грузы для литых дисков
        • Самоклеящиеся грузы для литых дисков Самоклеящиеся грузы для литых дисков
        • Грузы для грузовых дисков Грузы для грузовых дисков
        • Гранулят Гранулят
      • Грибки Грибки
        • Назад
        • Грибки
        • Для шин с давлением до 4 атм. Для шин с давлением до 4 атм.
        • Для шин с давлением до 8 атм. Для шин с давлением до 8 атм.
        • Для сельхозтехники Для сельхозтехники
        • Ножки грибков Ножки грибков
      • Вентили, колпачки, удлинители Вентили, колпачки, удлинители
        • Назад
        • Вентили, колпачки, удлинители
        • Резиновые вентили для легковых и легкогрузовых авто Резиновые вентили для легковых и легкогрузовых авто
        • Вентили для грузовиков и автобусов Вентили для грузовиков и автобусов
        • Металлические вентили для легковых и легкогрузовых авто Металлические вентили для легковых и легкогрузовых авто
        • Вентили для ремонта камер Вентили для ремонта камер
        • Вентили для сельскохозяйственной и спецтехники Вентили для сельскохозяйственной и спецтехники
        • Вентили для мотоциклов и скутеров Вентили для мотоциклов и скутеров
        • Вентили под датчики TPMS Вентили под датчики TPMS
        • Удлинители вентиля Удлинители вентиля
        • Ниппели (золотники) и колпачки Ниппели (золотники) и колпачки
      • Пакеты для шин Пакеты для шин
      • Абразивный инструмент Абразивный инструмент
        • Назад
        • Абразивный инструмент
        • Абразивный инструмент Абразивный инструмент
        • Буры, фрезы, адаптеры,резцы Буры, фрезы, адаптеры,резцы
        • Абразивные щетки Абразивные щетки
      • Жгуты Жгуты
      • Пасты для рук Пасты для рук
      • Резина ремонтная Резина ремонтная
      • Химия Химия
        • Назад
        • Химия
        • Герметики борта Герметики борта
        • Буферные очистители, обезжириватели Буферные очистители, обезжириватели
        • Герметики внутреннего слоя Герметики внутреннего слоя
        • Поиск проколов, смазки,тальк Поиск проколов, смазки,тальк
        • Монтажные пасты Монтажные пасты
        • Клеи, цементы Клеи, цементы
      • Шиноремонтные материалы Шиноремонтные материалы
        • Назад
        • Шиноремонтные материалы
        • Латки Латки
        • Пластыри диагональные Пластыри диагональные
        • Пластыри радиальные Пластыри радиальные
        • Ремпластины Ремпластины
        • Нарезка протектора Нарезка протектора
      • Камеры Камеры
        • Назад
        • Камеры
        • Для грузовых автомобилей Для грузовых автомобилей
        • Для сельскохозяйственной техники Для сельскохозяйственной техники
        • Для спецтехники Для спецтехники
        • Для погрузчиков Для погрузчиков
        • Оводные ленты Оводные ленты
        • Для легковых автомобилей Для легковых автомобилей
      • Автоаптечки Автоаптечки
    • Оборудование для шиномонтажного поста Оборудование для шиномонтажного поста
      • Назад
      • Оборудование для шиномонтажного поста
      • Балансировочные станки Балансировочные станки
        • Назад
        • Балансировочные станки
        • Легковые Легковые
        • Грузовые Грузовые
        • Опции и аксессуары
      • Шиномонтажное станки Шиномонтажное станки
        • Назад
        • Шиномонтажное станки
        • Легковые Легковые
        • Грузовые Грузовые
        • Легковые;Комплектом дешевле!
        • Вспомогательное оборудование
      • Аксессуары и приспособления Аксессуары и приспособления
      • Бустеры Бустеры
      • Борторасширители Борторасширители
      • Вулканизаторы и комплектующие Вулканизаторы и комплектующие
        • Назад
        • Вулканизаторы и комплектующие
        • Профильные пневмоподушки Профильные пневмоподушки
        • Плоские пневмоподушки Плоские пневмоподушки
        • Нагревательные элементы Нагревательные элементы
        • Профильные плиты Профильные плиты
        • Аксессуары для вулканизатора Аксессуары для вулканизатора
        • Вулканизаторы легковые Вулканизаторы легковые
        • Вулканизаторы грузовые Вулканизаторы грузовые
      • Станки для правки дисков Станки для правки дисков
      • Мойки колёс Мойки колёс
      • Оборудование для накачивания колёс, пистолеты Оборудование для накачивания колёс, пистолеты
      • Шиповальное оборудование Шиповальное оборудование
        • Назад
        • Шиповальное оборудование
        • Шипы Шипы
        • Ремонтные шипы Ремонтные шипы
      • Инструмент для шиноремонта Инструмент для шиноремонта
        • Назад
        • Инструмент для шиноремонта
        • Механический гайковерт Механический гайковерт
    • Подъёмное оборудование Подъёмное оборудование
      • Назад
      • Подъёмное оборудование
      • Подъёмники автомобильные Подъёмники автомобильные
        • Назад
        • Подъёмники автомобильные
        • Двухстоечные Двухстоечные
        • Четырехстоечные Четырехстоечные
        • Ножничные Ножничные
        • Грузовые подкатные Грузовые подкатные
        • Пневматические Пневматические
        • Мотоподъёмники Мотоподъёмники
        • Аксессуары Аксессуары
        • Канавные Канавные
        • Подъемники для электромобилей Подъемники для электромобилей
      • Траверсы Траверсы
    • Компрессорное оборудование Компрессорное оборудование
      • Назад
      • Компрессорное оборудование
      • Компрессоры поршневые Компрессоры поршневые
        • Назад
        • Компрессоры поршневые
        • Компрессор вертикальный Компрессор вертикальный
      • Компрессоры винтовые Компрессоры винтовые
      • Компрессоры безмасленные Компрессоры безмасленные
      • Ресиверы воздушные Ресиверы воздушные
      • Осушители воздуха Осушители воздуха
      • Компрессоры автомобильные (переносные) Компрессоры автомобильные (переносные)
      • Подготовка воздуха (фильты и лубрикаторы) Подготовка воздуха (фильты и лубрикаторы)
      • Фитинг Фитинг
      • Шланги Шланги
        • Назад
        • Шланги
        • Шланг в бухте Шланг в бухте
        • Шланг армированный Шланг армированный
        • Шланг на самоскручивающейся катушке Шланг на самоскручивающейся катушке
        • Шланг на самоскручивающейся катушке для масел Шланг на самоскручивающейся катушке для масел
        • Шланг на открытой катушке Шланг на открытой катушке
        • Шланг витой Шланг витой
      • Модульные компрессорные станции
      • Магистральные фильтры
      • Конденсатоотводчики
    • Ручной инструмент Ручной инструмент
      • Назад
      • Ручной инструмент
      • Отвертки, угловые ключи, биты Отвертки, угловые ключи, биты
        • Назад
        • Отвертки, угловые ключи, биты
        • Отвертки шлицевые Отвертки шлицевые
        • Вставки-биты Вставки-биты
        • Наборы вставок-бит Наборы вставок-бит
        • Наборы отверток Наборы отверток
        • Головки с вставкой Головки с вставкой
        • Угловые ключи шестигранные Угловые ключи шестигранные
        • Отвертки крестовые Отвертки крестовые
        • Торцевые с головками Торцевые с головками
        • Отвертки диэлектрические Отвертки диэлектрические
        • Угловые ключи TORX Угловые ключи TORX
        • Отвертки TORX Отвертки TORX
        • Ударные отвертки, клеймы и кернеры Ударные отвертки, клеймы и кернеры
        • Отвертки
      • Ударный инструмент Ударный инструмент
        • Назад
        • Ударный инструмент
        • Кувалды Кувалды
        • Молотки Молотки
        • Зубила, кернеры, выколотки Зубила, кернеры, выколотки
        • Обратный молоток Обратный молоток
        • Фиксаторы для инструментов
      • Воротки, трещотки, удлинители, переходники Воротки, трещотки, удлинители, переходники
        • Назад
        • Воротки, трещотки, удлинители, переходники
        • Воротки Воротки
        • Трещоточные рукоятки Трещоточные рукоятки
        • Удлинители Удлинители
        • Карданные шарниры и переходники Карданные шарниры и переходники
        • Ремонтные комплекты
      • Ключи Ключи
        • Назад
        • Ключи
        • Ключи динамометрические Ключи динамометрические
        • Ключи рожковые Ключи рожковые
        • Трубные и газовые ключи Трубные и газовые ключи
        • Ключи шарнирные Ключи шарнирные
        • Ключи накидные Ключи накидные
        • Наборы ключей Наборы ключей
        • Ключи разводные Ключи разводные
        • Ключи разрезные Ключи разрезные
        • Ключи трещоточные Ключи трещоточные
        • Ключи комбинированные Ключи комбинированные
        • Ключи Т и Г образные Ключи Т и Г образные
        • Ключи стартерные Ключи стартерные
        • Ключи балонные Ключи балонные
        • Ключи специального назначения Ключи специального назначения
        • Ремонтные комплекты
        • Ключи торцевые
      • Съемники Съемники
        • Назад
        • Съемники
        • Съемники шаровых опор, рулевых тяг Съемники шаровых опор, рулевых тяг
        • Съемники для тормозной системы Съемники для тормозной системы
        • Съемники масляных фильтров Съемники масляных фильтров
        • Съемники клипс обшивки салона Съемники клипс обшивки салона
        • Съемники подшипников Съемники подшипников
        • Съемники сайлентблоков Съемники сайлентблоков
        • Съемники для электроники Съемники для электроники
        • Съемники для выхлопной системы Съемники для выхлопной системы
        • Съемники топливных фильтров Съемники топливных фильтров
        • Универсальные съемники Универсальные съемники
      • Торцевые головки Торцевые головки
        • Назад
        • Торцевые головки
        • Головки 1/4" Головки 1/4"
        • Головки ударные Головки ударные
        • Наборы головок Наборы головок
        • Головки 3/4" Головки 3/4"
        • Головки 1/2" Головки 1/2"
        • Адаптеры ударные Адаптеры ударные
        • Головки TORX и наборы Головки TORX и наборы
        • Головки свечные Головки свечные
        • Специальные торцевые головки Специальные торцевые головки
        • Головки 3/8" Головки 3/8"
        • Головки 1" Головки 1"
        • Переходники
      • Шарнирно-губцевый инструмент Шарнирно-губцевый инструмент
        • Назад
        • Шарнирно-губцевый инструмент
        • Переставные клещи Переставные клещи
        • Ножницы по металлу Ножницы по металлу
        • Плоскогубцы и длинногубцы Плоскогубцы и длинногубцы
        • Щипцы для стопорных колец Щипцы для стопорных колец
        • Заклепочники Заклепочники
        • Щипцы для хомутов Щипцы для хомутов
        • Болторезы Болторезы
        • Бокорезы Бокорезы
        • Наборы инструмента Наборы инструмента
        • Кусачки Кусачки
        • Пассатижи Пассатижи
        • Струбцины ручные Струбцины ручные
      • Вспомогательный инструмент Вспомогательный инструмент
      • Ручные монтировки Ручные монтировки
      • Наборы инструментов Наборы инструментов
        • Назад
        • Наборы инструментов
        • Наборы для демонтажа Наборы для демонтажа
        • Наборы инструментов в чемоданах Наборы инструментов в чемоданах
        • Наборы для нарезания резьбы Наборы для нарезания резьбы
        • Наборы инструментов в зип-кейсах Наборы инструментов в зип-кейсах
        • Наборы инструментов в ящиках Наборы инструментов в ящиках
        • Наборы универсальные
        • Комплектующие к наборам
      • Инструмент для востановления резьбы Инструмент для востановления резьбы
      • Пистолет для герметика и клея Пистолет для герметика и клея
      • Измерительный инструмент Измерительный инструмент
      • Специнструмент
      • Напильники
    • Гаражное оборудование Гаражное оборудование
      • Назад
      • Гаражное оборудование
      • Домкраты Домкраты
        • Назад
        • Домкраты
        • Подкатные гидравлические Подкатные гидравлические
        • Пневматические Пневматические
        • Подкатные Пневмогидравлические Подкатные Пневмогидравлические
        • Реечные Реечные
        • Бутылочные Бутылочные
        • Подставки под автомобиль Подставки под автомобиль
        • Аксессуары, запчасти Аксессуары, запчасти
        • Резиновые накладки Резиновые накладки
        • Механические ромбовидные домкраты Механические ромбовидные домкраты
        • Домкраты канавные (траверсы) Домкраты канавные (траверсы)
      • Тали и лебёдки Тали и лебёдки
      • Кантователи двигателя Кантователи двигателя
      • Траверсы для вывешивания двигателя Траверсы для вывешивания двигателя
      • Краны гаражные Краны гаражные
      • Стойки трансмиссионные Стойки трансмиссионные
        • Назад
        • Стойки трансмиссионные
        • Аксессуары Аксессуары
      • Прессы Прессы
        • Назад
        • Прессы
        • Напольные пресса Напольные пресса
        • Настольные пресса Настольные пресса
        • Аксессуары для пресса Аксессуары для пресса
      • Столы Столы
      • Стяжки пружин Стяжки пружин
        • Назад
        • Стяжки пружин
        • Запчасти для стяжки пружин
      • Пескоструйные камеры и аппараты Пескоструйные камеры и аппараты
      • Индукционные аппараты Индукционные аппараты
        • Назад
        • Индукционные аппараты
        • Индукционные нагреватели Индукционные нагреватели
        • Аксессуары для аппаратов Аксессуары для аппаратов
      • Тиски Тиски
      • Трубогибы Трубогибы
      • Точильные станки Точильные станки
      • Станки для проточки тормозных дисков Станки для проточки тормозных дисков
        • Назад
        • Станки для проточки тормозных дисков
        • Запчасти для станков проточки тормозных дисков
      • Станки для заклепки тормозных колодок Станки для заклепки тормозных колодок
      • Пусковые и зарядные устройства Пусковые и зарядные устройства
        • Назад
        • Пусковые и зарядные устройства
        • Пуско-зарядные устройства Пуско-зарядные устройства
        • Зарядные устройства Зарядные устройства
        • Пусковые устройства Пусковые устройства
        • Тестеры аккумулятора Тестеры аккумулятора
        • Аксессуары для пзу Аксессуары для пзу
      • Установки для удаления выхлопных газов Установки для удаления выхлопных газов
        • Назад
        • Установки для удаления выхлопных газов
        • Вытяжные катушки Вытяжные катушки
        • Гофрированные шланги Гофрированные шланги
        • Насадки и стопоры на шланги Насадки и стопоры на шланги
        • Радиальные вентиляторы Радиальные вентиляторы
      • Тепловые пушки Тепловые пушки
        • Назад
        • Тепловые пушки
        • Газовые Газовые
        • Дизельные Дизельные
        • Электрические Электрические
      • Приборы регулировки фар Приборы регулировки фар
      • Опрессовочные насосы Опрессовочные насосы
      • Сверлильные станки Сверлильные станки
        • Назад
        • Сверлильные станки
        • Запчасти для сверлильных станков
      • Восстановление шаровых опор Восстановление шаровых опор
    • Кузовное оборудование Кузовное оборудование
      • Назад
      • Кузовное оборудование
      • Стапели Стапели
        • Назад
        • Стапели
        • Доп.комплектующие и аксессуары Доп.комплектующие и аксессуары
      • Покрасочные камеры Покрасочные камеры
        • Назад
        • Покрасочные камеры
        • Аксессуары к камере Аксессуары к камере
      • Инфракрасные сушки Инфракрасные сушки
      • Зажимы и захваты Зажимы и захваты
      • Гидравлический инструмент Гидравлический инструмент
        • Назад
        • Гидравлический инструмент
        • Запчасти и аксессуары
      • Рихтовочный инструмент Рихтовочный инструмент
        • Назад
        • Рихтовочный инструмент
        • Ручные шлифовальные блоки Ручные шлифовальные блоки
        • Молоток рихтовочный Молоток рихтовочный
        • Выколотки, поддержки Выколотки, поддержки
        • Тяговая цепь Тяговая цепь
        • Пила рихтовочная Пила рихтовочная
        • Профильный шаблон Профильный шаблон
      • Аппараты точечной сварки (споттеры) Аппараты точечной сварки (споттеры)
        • Назад
        • Аппараты точечной сварки (споттеры)
        • Аксессуары для споттеров Аксессуары для споттеров
        • Расходные материалы для точечной сварки Расходные материалы для точечной сварки
      • Оборудование для ремонта пластика Оборудование для ремонта пластика
      • Краскопульты Краскопульты
        • Назад
        • Краскопульты
        • Аксессуары и комплектующие для краскопультов Аксессуары и комплектующие для краскопультов
      • Пистолеты для нанесения антикора Пистолеты для нанесения антикора
      • Аэрографы Аэрографы
      • Диспенсеры Диспенсеры
      • Столы для окраски Столы для окраски
      • Инструменты и образивы для полировка кузова Инструменты и образивы для полировка кузова
        • Назад
        • Инструменты и образивы для полировка кузова
        • Оправка для полировальных машинок Оправка для полировальных машинок
      • Инструменты для ремонта стекол Инструменты для ремонта стекол
      • Лампы переносные Лампы переносные
      • Распылители Распылители
      • Красконагнетательный бак Красконагнетательный бак
      • Окрасочное оборудование и для дезинфекции Окрасочное оборудование и для дезинфекции
      • Посты подготовки к окраске
    • Моечное оборудование Моечное оборудование
      • Назад
      • Моечное оборудование
      • Пеногенераторы и пенокомплекты Пеногенераторы и пенокомплекты
      • Мойки деталей Мойки деталей
      • Аппараты высокого давления Аппараты высокого давления
      • Автохимия и автокосметика Автохимия и автокосметика
        • Назад
        • Автохимия и автокосметика
        • Автошампунь Автошампунь
        • Бесконтактная мойка Бесконтактная мойка
        • Воск для кузова Воск для кузова
        • Очистители двигателя Очистители двигателя
        • Очистители и полироли для кузова Очистители и полироли для кузова
        • Очистители стекла Очистители стекла
        • Средства для ухода за салоном Средства для ухода за салоном
        • Средства для шин и дисков Средства для шин и дисков
        • Протирочные материалы Протирочные материалы
      • Системы дозирования Системы дозирования
      • Аксессуары и комплектующие Аксессуары и комплектующие
        • Назад
        • Аксессуары и комплектующие
        • Копья ВД Копья ВД
        • Пистолеты ВД Пистолеты ВД
      • Пылесосы Пылесосы
        • Назад
        • Пылесосы
        • Запчасти и аксессуары к пылесосам Запчасти и аксессуары к пылесосам
    • Оборудование для замены технических жидкостей Оборудование для замены технических жидкостей
      • Назад
      • Оборудование для замены технических жидкостей
      • Инструмент для автокондиционирования Инструмент для автокондиционирования
        • Назад
        • Инструмент для автокондиционирования
        • Жидкости для обслуживания автокондиционеров Жидкости для обслуживания автокондиционеров
        • Запчасти и аксессуары для автокондиционеров Запчасти и аксессуары для автокондиционеров
        • Инструмент для кондиционеров Инструмент для кондиционеров
      • Установки для заправки кондиционеров Установки для заправки кондиционеров
      • Установки для диагностики топливных систем Установки для диагностики топливных систем
        • Назад
        • Установки для диагностики топливных систем
        • Стойки для оборудования и стендов Стойки для оборудования и стендов
        • Ультразвуковые ванны Ультразвуковые ванны
      • Инструмент и оборудование для малой диагностики Инструмент и оборудование для малой диагностики
        • Назад
        • Инструмент и оборудование для малой диагностики
        • Вакуумметры Вакуумметры
        • Видеоэндоскопы Видеоэндоскопы
        • Наборы для очистки топливных систем Наборы для очистки топливных систем
        • Компрессометры Компрессометры
        • Манометры Манометры
        • Тестеры Тестеры
        • Толщиномеры Толщиномеры
        • Синхронизаторы карбюратора Синхронизаторы карбюратора
        • Стетоскопы и эндоскопы Стетоскопы и эндоскопы
        • Стробоскопы Стробоскопы
        • Тестеры для проверки герметичности цилиндров Тестеры для проверки герметичности цилиндров
        • Тестеры для проверки давления масла Тестеры для проверки давления масла
        • Тестеры для проверки давления топливных систем Тестеры для проверки давления топливных систем
        • Тестеры форсунок Тестеры форсунок
        • Инструмент для АКБ Инструмент для АКБ
        • Ареометры Ареометры
        • Тестеры давления Тестеры давления
      • Наборы и воронки Наборы и воронки
      • Емкости для раздачи масла Емкости для раздачи масла
      • Емкости для раздачи смазки (нагнетатели) Емкости для раздачи смазки (нагнетатели)
      • Емкости для слива и откачки масла Емкости для слива и откачки масла
      • Замена технической жидкости Замена технической жидкости
      • Запасные части и приспособления Запасные части и приспособления
      • Насосы,пистолеты Насосы,пистолеты
      • Расходные материалы для смазочного оборудования Расходные материалы для смазочного оборудования
      • Шприцы и масленки Шприцы и масленки
        • Назад
        • Шприцы и масленки
        • Комплектующие для смазки Комплектующие для смазки
    • Оборудование для регулировки развала схождения Оборудование для регулировки развала схождения
      • Назад
      • Оборудование для регулировки развала схождения
      • Стенды для калибровки Стенды для калибровки
      • Стенд сход-развал Стенд сход-развал
    • Сварочное оборудование Сварочное оборудование
      • Назад
      • Сварочное оборудование
      • Аксессуары и редукторы Аксессуары и редукторы
      • Аппараты аргонодуговой сварки Аппараты аргонодуговой сварки
        • Назад
        • Аппараты аргонодуговой сварки
        • Сварочные инверторы TIG Сварочные инверторы TIG
        • Сварочные выпрямители TIG Сварочные выпрямители TIG
      • Аппараты дуговой сварки TIG - MMA Аппараты дуговой сварки TIG - MMA
      • Аппараты плазменной резки (плазморезы) Аппараты плазменной резки (плазморезы)
      • Аппараты контактной сварки (споттеры) Аппараты контактной сварки (споттеры)
        • Назад
        • Аппараты контактной сварки (споттеры)
        • Аксессуары для споттера Аксессуары для споттера
      • Оборудование для газосварки Оборудование для газосварки
        • Назад
        • Оборудование для газосварки
        • Товары для газосварочных работ
        • Товары для электросварочных работ
        • Автоматическая сварка под флюсом
        • Сварочные горелки и плазмотроны
      • Сварочные полуавтоматы MIG - MAG Сварочные полуавтоматы MIG - MAG
      • Расходные материалы для сварки Расходные материалы для сварки
        • Назад
        • Расходные материалы для сварки
        • Химия для сварки Химия для сварки
        • Для аргонно-дуговой сварки TIG Для аргонно-дуговой сварки TIG
        • Для газосварки Для газосварки
        • Для плазменной резки Для плазменной резки
        • Для сварки MIG - MAG Для сварки MIG - MAG
        • Для сварки MMA Для сварки MMA
        • Проволока сварочная Проволока сварочная
        • Расходные части MIG/TIG/CUT
        • Средства защиты
      • Сварочные аппараты для ПП труб Сварочные аппараты для ПП труб
      • Сварочный аппарат
    • Диагностическое оборудование Диагностическое оборудование
      • Назад
      • Диагностическое оборудование
      • TPMS Оборудование TPMS Оборудование
      • Осциллографы Осциллографы
      • Автосканеры Автосканеры
        • Назад
        • Автосканеры
        • Автосканеры для легковых автомобилей Автосканеры для легковых автомобилей
        • Автосканеры для грузовых авто и спецтехники Автосканеры для грузовых авто и спецтехники
      • Аксессуары для диагностики Аксессуары для диагностики
      • Газоанализаторы и дымомеры Газоанализаторы и дымомеры
      • Дымогенераторы Дымогенераторы
    • Инструментальная мебель и всё для организации рабочей зоны Инструментальная мебель и всё для организации рабочей зоны
      • Назад
      • Инструментальная мебель и всё для организации рабочей зоны
      • Тележки инструментальные и ложементы Тележки инструментальные и ложементы
        • Назад
        • Тележки инструментальные и ложементы
        • Ложемент с инструментом KING TONY Ложемент с инструментом KING TONY
        • Ложемент с инструментом FORCE Ложемент с инструментом FORCE
        • Ложемент с инструментом JONNESWAY Ложемент с инструментом JONNESWAY
        • Ложемент с инструментом HANS Ложемент с инструментом HANS
        • Ложемент с инструментом МАСТАК Ложемент с инструментом МАСТАК
        • Ложемент с инструментом ROSSVIK Ложемент с инструментом ROSSVIK
        • Ложемент с инструментом NORDBERG
        • Ложемент с инструментом Ombra
        • Ложемент с инструментом JTC
      • Комплекты (инструмент+тележка) Комплекты (инструмент+тележка)
      • Ящики Ящики
      • Верстаки Верстаки
      • Лежаки и стулья Лежаки и стулья
      • Шкафы металлические Шкафы металлические
        • Назад
        • Шкафы металлические
        • Шкаф инструментальный Шкаф инструментальный
        • Шкаф гардеробный Шкаф гардеробный
        • Камера хранения Камера хранения
        • Шкаф архивный Шкаф архивный
      • Комплектующие и аксессуары для мебели Комплектующие и аксессуары для мебели
      • Тележка транспортировочная Тележка транспортировочная
      • Автотрансформаторы Автотрансформаторы
      • Стабилизаторы Стабилизаторы
        • Назад
        • Стабилизаторы
        • Стабилизаторы однофазные Стабилизаторы однофазные
        • Стабилизаторы трехфазные Стабилизаторы трехфазные
    • Инструмент специального назначения Инструмент специального назначения
      • Назад
      • Инструмент специального назначения
      • Инструмент для ремонта двигателя Инструмент для ремонта двигателя
        • Назад
        • Инструмент для ремонта двигателя
        • Фиксаторы шкивов и распредвалов Фиксаторы шкивов и распредвалов
        • Оправки для сальников и подшипников Оправки для сальников и подшипников
        • Притирка клапанов, фрезы Притирка клапанов, фрезы
        • Рассухариватели и щипцы Рассухариватели и щипцы
        • Съемники масляных фильтров Съемники масляных фильтров
        • Съемники поршневой группы Съемники поршневой группы
        • Съемники форсунок Съемники форсунок
        • Съемники шкивов Съемники шкивов
        • Инструмент для работы с газораспределительным механизмом
        • Инструмент для работы с ГБЦ
        • Инструмент для обслуживания систем ГРМ
      • Инструменты для ремонта трансмиссии Инструменты для ремонта трансмиссии
      • Специнструмент для моторной группы Специнструмент для моторной группы
        • Назад
        • Специнструмент для моторной группы
        • Специнструмент для ГБЦ Специнструмент для ГБЦ
        • Специнструмент для выхлопной системы Специнструмент для выхлопной системы
        • Специнструмент для поршневой группы Специнструмент для поршневой группы
        • Специнструмент для системы охлаждения Специнструмент для системы охлаждения
        • Специнструмент для системы смазки Специнструмент для системы смазки
        • Специнструмент для сцепления и маховика Специнструмент для сцепления и маховика
        • Специнструмент для топливной системы Специнструмент для топливной системы
        • Специнструмент для шкивов и роликов Специнструмент для шкивов и роликов
        • Специнструмент для шлангов и сальников Специнструмент для шлангов и сальников
      • Специнструмент для разборки салона Специнструмент для разборки салона
      • Специнструмент для съема подшипников Специнструмент для съема подшипников
      • Специнструмент для ходовой части Специнструмент для ходовой части
        • Назад
        • Специнструмент для ходовой части
        • Специнструмент для ШРУСа Специнструмент для ШРУСа
        • Специнструмент для подшипников ступицы Специнструмент для подшипников ступицы
        • Специнструмент для сайлентблоков Специнструмент для сайлентблоков
        • Специнструмент для стяжки пружин Специнструмент для стяжки пружин
        • Специнструмент для тормозной системы Специнструмент для тормозной системы
        • Специнструмент для шаровых соединений Специнструмент для шаровых соединений
        • Инструмент для работы с подвеской
        • Инструмент для работы с рулевым механизмом
      • Специнструмент для электрики Специнструмент для электрики
      • Инструмент для легковых Инструмент для легковых
        • Назад
        • Инструмент для легковых
        • Специнструмент для AUDI / WV Специнструмент для AUDI / WV
        • Специнструмент для BMW Специнструмент для BMW
        • Специнструмент для FIAT Специнструмент для FIAT
        • Специнструмент для FORD / MAZDA Специнструмент для FORD / MAZDA
        • Специнструмент для LAND ROVER Специнструмент для LAND ROVER
        • Специнструмент для Mercedes Специнструмент для Mercedes
        • Специнструмент для OPEL Специнструмент для OPEL
        • Специнструмент для PEUGEOT CITROEN Специнструмент для PEUGEOT CITROEN
        • Специнструмент для RENAULT Специнструмент для RENAULT
        • Специнструмент для Volvo Специнструмент для Volvo
        • Инструмент Mercedes-Benz Инструмент Mercedes-Benz
        • Инструмент Opel Инструмент Opel
        • Инструмент BMW Инструмент BMW
        • Инструмент AUDI & Volkswagen Инструмент AUDI & Volkswagen
        • Инструмент Ford Инструмент Ford
        • Универсальный инструмент Универсальный инструмент
        • Инструмент Volvo Инструмент Volvo
        • Инструмент KIA &  Hyundai Инструмент KIA & Hyundai
        • Инструмент для коробок ZF Инструмент для коробок ZF
        • Инструмент Peugeot Инструмент Peugeot
        • Инструмент Toyota Инструмент Toyota
        • Инструмент AlfaRomeo & Lancia Инструмент AlfaRomeo & Lancia
        • Инструмент MAZDA Инструмент MAZDA
        • Инструмент FIAT Инструмент FIAT
        • Инструмент Mitsubishi Инструмент Mitsubishi
        • Инструмент Land Rover Инструмент Land Rover
        • Инструмент Honda Инструмент Honda
        • Инструмент Porsche Инструмент Porsche
        • Инструмент Subaru Инструмент Subaru
        • Инструмент Renault Инструмент Renault
        • Инструмент Chrysler Инструмент Chrysler
        • Инструмент Chery Инструмент Chery
        • Инструмент Nissan Инструмент Nissan
        • Инструмент BYD Инструмент BYD
      • Инструмент для грузовых Инструмент для грузовых
        • Назад
        • Инструмент для грузовых
        • Инструмент DAF Инструмент DAF
        • Инструмент IVECO Инструмент IVECO
        • Инструмент Volvo Инструмент Volvo
        • Инструмент MAZ / KAMAZ
        • Универсальный инструмент Универсальный инструмент
        • Инструмент FUSO Инструмент FUSO
        • Инструмент Knorr-Bremse Инструмент Knorr-Bremse
        • Инструмент Scania Инструмент Scania
        • Инструмент Mercedes Инструмент Mercedes
        • Инструмент для коробок ZF Инструмент для коробок ZF
        • Инструмент SAF Инструмент SAF
        • Инструмент BPW Инструмент BPW
        • Инструмент MAN Инструмент MAN
        • Инструмент Renault Инструмент Renault
        • Инструмент HINO Инструмент HINO
        • Инструмент Caterpillar Инструмент Caterpillar
        • Инструмент Isuzu Инструмент Isuzu
        • Инструмент ROR Инструмент ROR
        • Инструмент Daewoo Инструмент Daewoo
        • Инструмент Cummins Инструмент Cummins
        • Инструмент MITSUBISHI Инструмент MITSUBISHI
        • Инструмент Nissan Инструмент Nissan
      • Инструмент для дизелей Инструмент для дизелей
        • Назад
        • Инструмент для дизелей
        • Измерительные системы для инжекторов Common Rail Измерительные системы для инжекторов Common Rail
        • Специнструменты для ТНВД P типа Специнструменты для ТНВД P типа
        • Измерительный инструмент для дизеля Измерительный инструмент для дизеля
        • Стендовая оснастка для форсунок Стендовая оснастка для форсунок
        • Торцевые фрезы для инжекторов Common Rail Торцевые фрезы для инжекторов Common Rail
        • Инструмент для свечей накаливания Инструмент для свечей накаливания
        • Спецключи для форсунок и ТНВД Спецключи для форсунок и ТНВД
        • Шайбы и инструменты для распылителя инжектора Шайбы и инструменты для распылителя инжектора
        • Стапели для форсунок и ТНВД Стапели для форсунок и ТНВД
        • Наборы фиксаторов для плунжеров ТНВД Наборы фиксаторов для плунжеров ТНВД
        • Оборудование для ремонта клапанов BOSCH Оборудование для ремонта клапанов BOSCH
        • Измерительные приборы для дизеля Измерительные приборы для дизеля
        • Специнстурмент для систем Common Rail Специнстурмент для систем Common Rail
        • Инструмент для насос форсунок Инструмент для насос форсунок
        • Специнструмент для ТНВД VE Специнструмент для ТНВД VE
        • Cтендовая оснастка для ТНВД Cтендовая оснастка для ТНВД
        • Съемники для форсунок Common Rail Съемники для форсунок Common Rail
        • Регулировочные шайбы для форсунок Регулировочные шайбы для форсунок
      • Универсальный инструмент Универсальный инструмент
        • Назад
        • Универсальный инструмент
        • Съемники форсунок Съемники форсунок
        • Съемники тормозной системы Съемники тормозной системы
        • Съемники сайлентблоков Съемники сайлентблоков
        • Инструмент для трансмиссии Инструмент для трансмиссии
        • Прочий инструмент для двигателя Прочий инструмент для двигателя
        • Инструмент для ремонта салона Инструмент для ремонта салона
        • Съемники масляных фильтров Съемники масляных фильтров
        • Рассухариватели Рассухариватели
        • Фиксаторы шкивов и распредвалов Фиксаторы шкивов и распредвалов
        • Съемники шаровых опор и наконечников рулевых тяг Съемники шаровых опор и наконечников рулевых тяг
        • Съемники для ступицы Съемники для ступицы
        • Оправки для подшипников Оправки для подшипников
        • Стяжки пружин Стяжки пружин
        • Съемники для амортизаторов Съемники для амортизаторов
        • Инструмент для системы охлаждения Инструмент для системы охлаждения
        • Щипцы Щипцы
        • Инструмент для топливных систем Инструмент для топливных систем
        • Развальцовщики и труборезы Развальцовщики и труборезы
        • Съемники ШРУС Съемники ШРУС
        • Инструмент для извлечения обломков Инструмент для извлечения обломков
        • Инструмент для автостекол Инструмент для автостекол
        • Съемники для поршневой группы Съемники для поршневой группы
        • Притирка клапанов, зенкера и метчики Притирка клапанов, зенкера и метчики
        • Спецсъемники Спецсъемники
        • Инструмент для работы с резьбовыми соединениями
        • Съемники механические
      • Инструмент для мотоциклов Инструмент для мотоциклов
        • Назад
        • Инструмент для мотоциклов
        • Инструмент Ducati Инструмент Ducati
        • Инструмент Honda Инструмент Honda
        • Инструмент Yamaha Инструмент Yamaha
        • Универсальные МОТО Универсальные МОТО
        • Инструмент Harley-Davidson Инструмент Harley-Davidson
        • Инструмент SUPERMOTO Инструмент SUPERMOTO
        • Инструмент Mv Agusta Инструмент Mv Agusta
        • Инструмент Kawasaki Инструмент Kawasaki
        • Инструмент Suzuki Инструмент Suzuki
        • Инструмент BMW Инструмент BMW
        • Инструмент Polaris Инструмент Polaris
        • Инструмент KTM Инструмент KTM
        • Инструмент Triumph Инструмент Triumph
      • Инструмент для АКПП Инструмент для АКПП
      • Вспомогательный инструмент
      • Инструмент для ремонта и обслуживания кузова
        • Назад
        • Инструмент для ремонта и обслуживания кузова
        • Инструмент для жестяных работ
      • Инструмент для работы с системой зажигания
      • Специнструмент Mercedes - BMW
      • Специнструмент VW & Audi
    • Электро и пневмо инструменты Электро и пневмо инструменты
      • Назад
      • Электро и пневмо инструменты
      • Шлифовальный инструмент Шлифовальный инструмент
        • Назад
        • Шлифовальный инструмент
        • Ленточные шлифмашины Ленточные шлифмашины
        • Пневматические бормашины Пневматические бормашины
        • Углошлифовальная машинка Углошлифовальная машинка
        • Плоскошлифовальные машинки Плоскошлифовальные машинки
        • Зачистные машинки Зачистные машинки
        • Шлифмашины эксцентриковые Шлифмашины эксцентриковые
        • Защитная прокладка для шлифовальных машинок Защитная прокладка для шлифовальных машинок
        • Оправка, основа для шлифовальных машинок Оправка, основа для шлифовальных машинок
      • Пневмопистолет Пневмопистолет
        • Назад
        • Пневмопистолет
        • Пистолет продувочный (обдувочный) Пистолет продувочный (обдувочный)
        • Моечные пистолеты Моечные пистолеты
        • Пескоструйные пистолеты Пескоструйные пистолеты
        • Покрасочные пистолеты
      • Дрели и шуруповерты Дрели и шуруповерты
        • Назад
        • Дрели и шуруповерты
        • Сверла
      • Гайковерты, трещотки и отвертки Гайковерты, трещотки и отвертки
        • Назад
        • Гайковерты, трещотки и отвертки
        • Гайковерт пневматический Гайковерт пневматический
        • Гайковерт пневматический в наборе Гайковерт пневматический в наборе
        • Гайковерты аккумуляторные Гайковерты аккумуляторные
        • Трещотка пневматическая Трещотка пневматическая
        • Отвертка пневматическая Отвертка пневматическая
        • Гайковерты ручные
      • Аккумуляторный инструмент Аккумуляторный инструмент
        • Назад
        • Аккумуляторный инструмент
        • Аккумуляторные дрели-шуруповерты Аккумуляторные дрели-шуруповерты
        • Отвертки аккумуляторные Отвертки аккумуляторные
      • Рубанок электрический Рубанок электрический
      • Перфораторы Перфораторы
      • Полировальные машины Полировальные машины
      • Пневматические ножницы и ножи Пневматические ножницы и ножи
      • Фрезер электрический Фрезер электрический
      • Строительный фен Строительный фен
      • Пневмозаклепочники Пневмозаклепочники
      • Отбойные молотки, пневмозубила Отбойные молотки, пневмозубила
      • Пневмодыроколы Пневмодыроколы
      • Пневмоподдержки Пневмоподдержки
      • Щетки металлические для дрели Щетки металлические для дрели
      • Щётка металлическая для УШМ Щётка металлическая для УШМ
      • Диск пильный Диск пильный
      • Пневмолобзики Пневмолобзики
      • Диски отрезные
      • Диски шлифовальные
      • Аккумуляторы для электроинструмента
    • Автохимия и средства защиты Автохимия и средства защиты
      • Назад
      • Автохимия и средства защиты
      • Респираторы Респираторы
      • Защита слуха Защита слуха
      • Автополироли Автополироли
      • Автошампуни Автошампуни
      • Антикоррозийные и защитные средства Антикоррозийные и защитные средства
      • Герметики Герметики
      • Клеи Клеи
      • Наборы для ремонта Наборы для ремонта
      • Очистители Очистители
      • Притирочные пасты Притирочные пасты
      • Смазки Смазки
      • Фиксаторы соединений Фиксаторы соединений
      • Рабочий костюм Рабочий костюм
      • Паста и антисептик для рук Паста и антисептик для рук
      • Защитные очки и маски Защитные очки и маски
      • Одежда для сварочных работ Одежда для сварочных работ
      • Обувь
      • Брюки, штаны
      • Головные уборы
      • Верхняя одежда
      • Майки, футболки, сорочки
      • Полукомбинезоны и комбинезоны
      • Ремни
      • Карманы и держатели
      • Наколенники
    • Электростанции (Генераторы) Электростанции (Генераторы)
      • Назад
      • Электростанции (Генераторы)
      • Аксессуары для генераторов Аксессуары для генераторов
      • Бензиновые генераторы Бензиновые генераторы
      • Дизельные генераторы Дизельные генераторы
      • Сварочные генераторы Сварочные генераторы
      • Инверторные генераторы Инверторные генераторы
    • Аренда Специнструмента Аренда Специнструмента
    • Запчасти Запчасти
      • Назад
      • Запчасти
      • Запчасти для компрессоров Запчасти для компрессоров
      • Запчасти для гайковертов Запчасти для гайковертов
      • Запчасти для шлифовальных машинок Запчасти для шлифовальных машинок
      • Запчасти и аксессуары для пневматического инструмента Запчасти и аксессуары для пневматического инструмента
      • Запчасти для гидравлического оборудования Запчасти для гидравлического оборудования
        • Назад
        • Запчасти для гидравлического оборудования
        • Аксессуары к гидравлическим прессам
      • Запчасти для подъёмников Запчасти для подъёмников
        • Назад
        • Запчасти для подъёмников
        • Запчасти и аксессуары для четырехстоечных подъемников
        • Запчасти для траверс
        • Запчасти и аксессуары для ножничных подъемников
        • Запчасти и аксессуары для двухстоечных подъемников
        • Запчасти и аксессуары для подкатных подъемников
        • Запчасти и аксессуары для пневматических подъемников
      • Запчасти для балансировочных станков Запчасти для балансировочных станков
      • Запчасти для шиномонтажных станков Запчасти для шиномонтажных станков
      • Запчасти для окрасочных камер Запчасти для окрасочных камер
      • Запчасти для краскопультов Запчасти для краскопультов
      • Запчасти для маслосменного оборудования Запчасти для маслосменного оборудования
      • Запчасти для дископравов Запчасти для дископравов
      • Запчасти для сварочных аппаратов
      • Дископравные стенды Дископравные стенды
      • Балансировочные станки Балансировочные станки
      • Шиномонтажные станки Шиномонтажные станки
        • Назад
        • Шиномонтажные станки
        • Комплектующие к аксессуарам Комплектующие к аксессуарам
      • Автоподъемное оборудование Автоподъемное оборудование
        • Назад
        • Автоподъемное оборудование
        • Четырехстоечные подъемники
        • Ножничные подъемники
        • Двухстоечные подъемники
        • Подкатные подъемники
        • Пневматические подъемники
      • Стенд для регулировки углов установки колес Зенит-3D Стенд для регулировки углов установки колес Зенит-3D
      • Установки Express Service Установки Express Service
      • Установки для проточки тормозных дисков Установки для проточки тормозных дисков
      • Стенд для регулировки углов установки колес
      • Установки для проточки тормозных дисков
      • Материалы расходные
    • Комплектом дешевле! Комплектом дешевле!
    • Прочее
      • Назад
      • Прочее
      • Инструменты Hoegert
      • Ручной инструмент Ручной инструмент
        • Назад
        • Ручной инструмент
        • Переходники и насадки Переходники и насадки
        • Отвертки Отвертки
        • Ключи Ключи
        • Шарнирно-губцевый инструмент Шарнирно-губцевый инструмент
        • Гайколомы и раскалыватели гаек Гайколомы и раскалыватели гаек
        • Торцевые головки Торцевые головки
        • Ножовки по металлу Ножовки по металлу
        • Ударно-рычажный инструмент Ударно-рычажный инструмент
        • Режущий инструмент Режущий инструмент
      • Наборы инструментов Наборы инструментов
        • Назад
        • Наборы инструментов
        • Наборы универсальные Наборы универсальные
      • Металлическая мебель Металлическая мебель
        • Назад
        • Металлическая мебель
        • Комплектующие для тележек Комплектующие для тележек
        • Тележки инструментальные Тележки инструментальные
      • Смазочно-заправочное оборудование Смазочно-заправочное оборудование
        • Назад
        • Смазочно-заправочное оборудование
        • Съемники масляных фильтров Съемники масляных фильтров
      • Специальный инструмент Специальный инструмент
        • Назад
        • Специальный инструмент
        • Съемники Съемники
        • Ремонт ходовой части и рулевого управления
      • Гаражно-вспомогательное оборудование Гаражно-вспомогательное оборудование
        • Назад
        • Гаражно-вспомогательное оборудование
        • Вспомогательный гаражный инструмент
      • Оборудование для кузовного ремонта Оборудование для кузовного ремонта
        • Назад
        • Оборудование для кузовного ремонта
        • Инструменты кузовного ремонта Инструменты кузовного ремонта
        • Аксессуары для кузовного ремонта
        • Крюки для вывешивания
      • Пневматический инструмент Пневматический инструмент
        • Назад
        • Пневматический инструмент
        • Пневмогайковерты Пневмогайковерты
        • Пневматические шлифмашинки Пневматические шлифмашинки
      • Компрессорное оборудование Компрессорное оборудование
        • Назад
        • Компрессорное оборудование
        • Пневматические шланги Пневматические шланги
        • Блоки подготовки воздуха Блоки подготовки воздуха
      • Прочее
      • Optimus
      • Rossvik Rossvik
        • Назад
        • Rossvik
        • Подъёмное оборудование Подъёмное оборудование
        • Шиномонтажное оборудование Шиномонтажное оборудование
        • Инструмент специального назначения Инструмент специального назначения
        • Ручной инструмент Ручной инструмент
        • Гаражное оборудование Гаражное оборудование
        • Диагностическое оборудование Диагностическое оборудование
        • Автохимия и средства защиты Автохимия и средства защиты
        • Электро и пневмо инструменты Электро и пневмо инструменты
        • Кузовное оборудование Кузовное оборудование
        • Оборудование для замены и откачки масла Оборудование для замены и откачки масла
        • Компрессорное оборудование Компрессорное оборудование
      • HOEGERT HOEGERT
        • Назад
        • HOEGERT
        • Инструмент специального назначения Инструмент специального назначения
        • Ручной инструмент Ручной инструмент
        • Инструментальная мебель и всё для организации рабочей зоны Инструментальная мебель и всё для организации рабочей зоны
        • Электро и пневмо инструменты Электро и пневмо инструменты
        • Шиномонтажное оборудование Шиномонтажное оборудование
        • Диагностическое оборудование Диагностическое оборудование
        • Оборудование для замены и откачки масла Оборудование для замены и откачки масла
        • Кузовное оборудование Кузовное оборудование
        • Подъёмное оборудование Подъёмное оборудование
        • Гаражное оборудование Гаражное оборудование
        • Запчасти Запчасти
  • Акции
  • Услуги
    • Назад
    • Услуги
    • Сервисные службы
      • Назад
      • Сервисные службы
      • Монтаж, ремонт и обслуживание автосервисного оборудования
      • Ремонт пневмоинструмента и гидравлического инструмента
      • Стоимость основных услуг и условия
      • Подача рекламации
    • Создайте проект своего нового автосервиса
      • Назад
      • Создайте проект своего нового автосервиса
      • Подробнее
    • Лизинг, Кредитование
      • Назад
      • Лизинг, Кредитование
      • Лизинг для юридических лиц
      • Кредит и Рассрочка
    • Изготовление тросов (под заказ)
      • Назад
      • Изготовление тросов (под заказ)
      • Переходите и отмечайте тип троса и его размеры
  • Как купить
    • Назад
    • Как купить
    • Условия оплаты
    • Кредит и рассрочка
    • Условия доставки
    • Гарантия на товар
  • Компания
    • Назад
    • Компания
    • О компании
    • Новости
    • Команда
    • Отзывы
    • Карьера
    • Контакты
    • Партнеры
    • Реквизиты
    • Документы
  • Контакты
  • Бренды
  • Блог
  • Личный кабинет
  • Корзина0
  • Избранные товары0
  • Сравнение товаров0
  • +7 903 140-18-99
    • Назад
    • Телефоны
    • +7 903 140-18-99
    • +7 903 140-18-99Telegram
    • +7 903 140-18-99WhatsApp
    • +7 495 979-17-98Москва и МО
    • info@instrument777.ruпочта
    • Заказать звонок
Контактная информация
Московская область, г. Балашиха, ул. Реутовская,  д.15 , пом.9
info@instrument777.ru
  • Вконтакте
  • Telegram
  • YouTube
  • WhatsApp

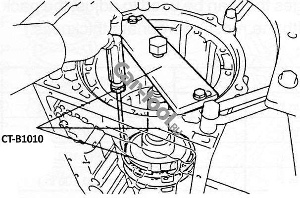
Приспособление для сборки АКПП TOYOTA LEXUS

Главная
—
Каталог
—
Инструмент специального назначения
Расходные материалы для шиномонтажаОборудование для шиномонтажного постаПодъёмное оборудованиеКомпрессорное оборудованиеРучной инструментГаражное оборудованиеКузовное оборудованиеМоечное оборудованиеОборудование для замены технических жидкостейДиагностическое оборудованиеЭлектро и пневмо инструментыИнструмент специального назначенияИнструментальная мебель и всё для организации рабочей зоныСварочное оборудованиеОборудование для регулировки развала схожденияАвтохимия и средства защитыЭлектростанции (Генераторы)Аренда СпецинструментаЗапчастиКомплектом дешевле!Прочее
—
Инструмент для легковых
Вспомогательный инструментИнструменты для ремонта трансмиссииСпецинструмент для моторной группыСпецинструмент для разборки салонаСпецинструмент для съема подшипниковСпецинструмент для ходовой частиСпецинструмент для электрикиИнструмент для легковыхИнструмент для грузовыхИнструмент для дизелейУниверсальный инструментИнструмент для мотоцикловИнструмент для АКППИнструмент для ремонта двигателяИнструмент для ремонта и обслуживания кузоваИнструмент для работы с системой зажиганияСпецинструмент Mercedes - BMWСпецинструмент VW & Audi
—
Инструмент Toyota
Инструмент AlfaRomeo & LanciaСпецинструмент для VolvoИнструмент Mercedes-BenzИнструмент OpelИнструмент BMWИнструмент AUDI & VolkswagenИнструмент FordУниверсальный инструментИнструмент VolvoИнструмент KIA & HyundaiИнструмент для коробок ZFИнструмент PeugeotСпецинструмент для RENAULTИнструмент MAZDAИнструмент FIATИнструмент MitsubishiИнструмент Land RoverИнструмент HondaИнструмент PorscheИнструмент SubaruИнструмент RenaultИнструмент ChryslerИнструмент CheryИнструмент NissanИнструмент BYDСпецинструмент для AUDI / WVСпецинструмент для BMWСпецинструмент для FIATСпецинструмент для FORD / MAZDAСпецинструмент для LAND ROVERСпецинструмент для MercedesСпецинструмент для OPELСпецинструмент для PEUGEOT CITROEN
—Приспособление для сборки АКПП TOYOTA LEXUS
Артикул: CT-B1010
car-tool
Приспособление для сборки АКПП TOYOTA LEXUS
Приспособление для сборки АКПП TOYOTA LEXUS
Приспособление для сборки АКПП TOYOTA LEXUS
Приспособление для сборки АКПП TOYOTA LEXUS
1 712 руб.
/шт
Уточняйте у менеджера
Купить со скидкой
Самовывоз из магазина понедельник - пятница: с 10 до 18

Перед приездом в магазин, предварительно уточняйте наличие и стоимость товара.
WhatsApp для связи
Telegram для связи
или позвонить +7 903 140 18 99

Характеристики
Код товара
—
CT-B1010
Вес, кг
—
2,14
  • Описание
  • Отзывы
  • Как купить
  • Оплата
  • Доставка

Приспособление для сборки АКПП TOYOTA

  • Применение: TOYOTA LEXUS
  • Назначение: сборка фрикционов АКПП
Оставить отзыв
У данного товара нет отзывов. Станьте первым, кто оставил отзыв об этом товаре!
Текст сообщения*
Перетащите файлы
Ничего не найдено
Размер файла не должен превышать 5 МБ.
Загрузить изображение

Для покупки товара в нашем интернет-магазине выберите понравившийся товар и добавьте его в корзину. Далее перейдите в Корзину и нажмите на «Оформить заказ» или «Быстрый заказ».

Когда оформляете быстрый заказ, напишите ФИО, телефон и e-mail. Вам перезвонит менеджер и уточнит условия заказа. Теперь останется только ждать доставки .

Оформление заказа в стандартном режиме выглядит следующим образом. Заполняете полностью форму по последовательным этапам: адрес, способ доставки, оплаты, данные о себе. Советуем в комментарии к заказу написать информацию, которая поможет курьеру вас найти. Нажмите кнопку «Оформить заказ».

Оплачивайте покупки удобным способом. В интернет-магазине доступно 2 варианта оплаты:

  1. Наличные или по карте (электронно) при самовывозе  или доставке курьером. Специалист свяжется с вами в день доставки, чтобы уточнить время . Вы подписываете товаросопроводительные документы, вносите денежные средства, получаете товар и чек.
  2. Безналичный расчет по выставленному заранее счету для оплаты с почты info@insrument777.ru . При самовывозе товара ( при себе иметь доверенность или печать) . Также можно оплатить он-лайн при  оформлении в интернет-магазине: карты Visa и MasterCard. Здесь нужно ввести номер карты, срок действия и имя держателя.

Экономьте время на получении заказа. В магазине доступно 3 варианта доставки:

  1. Курьерская доставка работает с 9.00 до 19.00. Когда товар поступит на склад, курьерская служба свяжется для уточнения деталей. Специалист предложит выбрать удобное время доставки и уточнит адрес. Осмотрите упаковку на целостность и соответствие указанной комплектации.
  2. Самовывоз из магазина   понедельник - пятница: с 10 до 18. КОНТАКТЫ Когда заказ поступит на склад, вам перезвонит наш менеджер. Для получения заказа обратитесь к сотруднику в кассовой зоне и назовите номер 
  3. Доставка через Транспортные Компании. Когда заказ придет в отделение, на ваш адрес придет извещение о посылке. Доставка до транспортной компании в нашем городе осуществляем бесплатно. Стоимость доставки из нашего города до пункта назначения отплачивает покупатель при приёмке товара. Более подробно здесь
1 712 руб.
/шт
Уточняйте у менеджера
Купить со скидкой
Под заказ
Наши менеджеры обязательно свяжутся с вами и уточнят условия заказа
Самовывоз из магазина понедельник - пятница: с 10 до 18

Перед приездом в магазин, предварительно уточняйте наличие и стоимость товара.
WhatsApp для связи
Telegram для связи
или позвонить +7 903 140 18 99

Характеристики
Код товара
—
CT-B1010
Вес, кг
—
2,14
!Цена действительна только для интернет-магазина и может отличаться от цен в розничных магазинах.
car-tool
Все товары категории
Все товары бренда car-tool

Нужна консультация?

Наши специалисты ответят на любой интересующий вопрос
Задать вопрос
Каталог
Акции
Услуги
Бренды
Компания
О компании
Новости
Команда
Отзывы
Карьера
Контакты
Партнеры
Реквизиты
Документы
Информация
Магазины
Условия оплаты
Условия доставки
Гарантия на товар
Политика
Пользовательское соглашение
Помощь
Условия оплаты
Условия доставки
Гарантия на товар
Вопрос-ответ
Обзоры
Подписаться на рассылку
+7 903 140-18-99
+7 903 140-18-99
+7 903 140-18-99Telegram
+7 903 140-18-99WhatsApp
+7 495 979-17-98Москва и МО
info@instrument777.ruпочта
Заказать звонок
info@instrument777.ru
Московская область, г. Балашиха, ул. Реутовская,  д.15 , пом.9
  • Вконтакте
  • Telegram
  • YouTube
  • WhatsApp
2026 © INSTRUMENT777.RU - интернет-магазин